
我們只做傳動聯結件









公司總占地面積達55畝,公司員工200余人
擁有數控加工中心、數控車、數控滾齒機、數控插齒機、動平衡機、螺桿銑、電爐等設備共計二百余臺
采用SolidWorks、UG三維數字化設計,能夠快速完成各種產品參數設計計算
專業資深工程師團隊,提供傳動聯結件一站式服務解決方案
擁有倉庫2000多平方,常規產品庫存達5000多款,貨源充足,發貨速度有保障
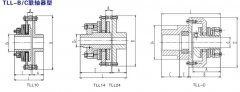
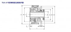
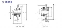
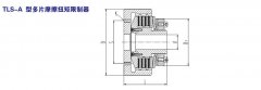
膜片聯軸器、萬向聯軸器、鼓形齒聯軸器等各式產品,規格齊全,最大程度滿足市場需求,讓你選擇無憂
完善的質量保證體系,做到自檢、互檢、專檢相結合,保障100%產品合格率
行業一流生產基地, 規模生產,省去中間環節,成本更低,價格最優
7*24小時快速應答,及時解決您的困惑
人工現場調試,定制安裝施工方案
專業售后技術團隊, 定期新老客戶回訪,隨時提供技術指導
全國高效合作物流,高效快速
0317-8309525

? 滄州天碩聯軸器是從事高端裝備核心部件加工制造企業,公司注冊資本3000萬元,擁有天碩傳動(遼寧)有限公司、滄州海碩螺桿泵有限公司、滄州天碩聯軸器有限公司三家公司,公司總占地面積達55畝,公司員工200余人,公司擁有數控加工中心、數控車、數控滾齒機、數控插齒機、動平衡機、螺桿銑、電爐等設備共計二百余臺。擁有精密鑄造、聯軸器、螺桿泵、逆止器設計研...
0317-8309525
卷筒鼓形齒聯軸器,GIICL,齒式聯軸器,鼓形齒聯軸器,聯軸器、 黑龍江省齊齊哈爾市的趙經理


滄州天碩聯軸器有限公司
0317-8309525
0317-7773773
河北省泊頭市南倉街